Номенклатура каталога постоянно дополняется, и не всегда объективно отражает фактическую.
Наличие и стоимость уточняйте у инженеров!
Регулятор давления ARP-ERV
Выбрать конфигурацию
- Идёт загрузка...
Регулятор давления ARP-ERV предназначен для установки давления сжатого воздуха и поддержания его на заданном уровне с высокой точностью
Особенности:
- Может устанавливаться отдельно или в качестве модуля блока подготовки воздуха
- Высокая точность поддержания заданного давления
- Четырехразрядный ЖК-дисплей с высотой символов 6 мм
- Порты входа и выхода оснащены фильтрами грубой очистки
- Низкое энергопотребление
- В комплект входит кронштейн (2 типа на выбор) для крепления прибора на горизонтальную или вертикальную поверхность
- Для перехода на другие размеры резьбы используются футорки, например, VTr.581.N
Регулятор давления является следящей системой, состоящей из пневмомеханической части, контроллера и датчика давления.
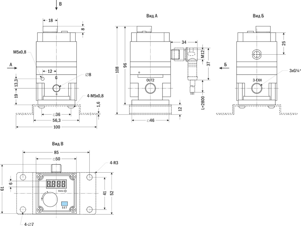
Силовая пневмомеханическая часть регулятора имеет три пронумерованных на корпусе отверстия (порта): 1 – подача сжатого воздуха, 2 – канал выхода воздуха в полость с регулируемым давлением, 3 – канал сброса избытка воздуха из регулируемой полости в атмосферу.
ЖК-дисплей служит для отображения текущего давления, а также для контроля ввода параметров при его настройке

Технические характеристики:
|
Параметр |
Значение |
|
Рабочая среда |
Сжатый очищенный воздух |
|
Мин. давление подаваемого воздуха |
Выходное давление + 0,1 МПа |
|
Макс. давление подаваемого воздуха |
1,0 МПа |
|
Диапазон выходного давления |
0,0...0,9 МПа |
|
Расход воздуха |
0,0...1000 л/мин |
|
Присоединение |
G1/4" |
|
Питание |
|
|
Температура окружающей среды |
0...+50°С |
|
Высота символов |
6 мм |
|
Степень пылевлагозащиты |
IP65 |
|
Габаритные размеры |
96×50×61 мм |
|
Длина кабеля |
2,8 м |
|
Вес (без кабеля) |
322 г |
Габаритные размеры:
С кронштейном для крепления на вертикальную поверхность
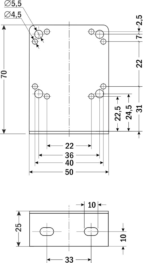
С кронштейном для крепления на горизонтальную поверхность
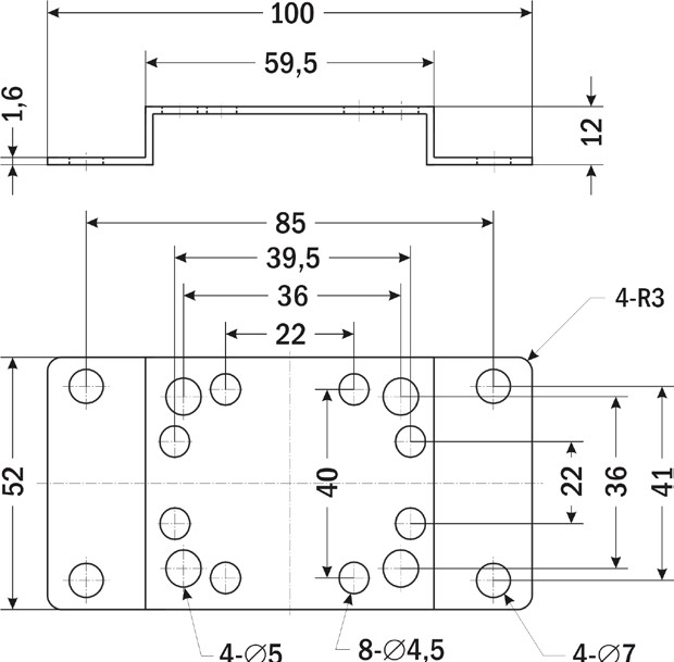
Кронштейн для крепления на вертикальную поверхность
Кронштейн для крепления на горизонтальную поверхность















