Номенклатура каталога постоянно дополняется, и не всегда объективно отражает фактическую.
Наличие и стоимость уточняйте у инженеров!
DS Источники питания
Выбрать конфигурацию
- Идёт загрузка...
Использование блоков питания дает возможность предотвратить возможные скачки напряжения, одну самых главных причину выхода электротехники из строя.
Устройства назначены для установки в помещениях без наличия каких-либо вибраций.
Запрещается попадание влаги и химических веществ внутрь корпуса.
Преимущества продукции:
- диапазон мощностей (25-400 Вт);
- не требует специального охлаждения;
- снимает возможность перегрузки от напряжения;
- совместимость со многими типами электрооборудования;
- высокий уровень защиты от короткого замыкания;
- простота в обслуживании;
- компактные габариты.
|
Модель |
DS-25-12 |
DS-25-24 |
DS-50-12 |
DS-50-24 |
DS-100-12 |
DS-100-24 |
DS-150-12 |
DS-150-24 |
|
|
Uвх, V |
100-250VAC, 47-63 Hz |
100-500VAC, 47-63 Hz |
176-264VAC, 47-63 Hz |
||||||
|
Uвых, V |
12VDC±10% |
24VDC±10% |
12VDC±10% |
24VDC±10% |
12VDC±10% |
24VDC±10% |
12VDC±10% |
24VDC±10% |
|
|
Iном, А |
2.1А |
1А |
4.2А |
2.1А |
8.3А |
4.2А |
12.5А |
6.5А |
|
|
Рвых, W |
25W |
50W |
100W |
150W |
|||||
|
Пульсации и шум |
100mVp-p |
150mVp-p |
80mVp-p |
100mVp-p |
100mVp-p |
120mVp-p |
120mVp-p |
120mVp-p |
|
|
КПД |
76% |
78% |
77% |
82% |
78% |
82% |
|||
|
Защита по перенапряжению |
15-18VDC |
30-36VDC |
15-18VDC |
30-36VDC |
15-18VDC |
30-36VDC |
15-18VDC |
30-36VDC |
|
|
Работоспособность восстанавливается после нормализации напряжения |
|||||||||
|
Защита по перегрузке |
Ограничение выходной мощности |
||||||||
|
Защита от К.З. |
Работоспособность восстанавливается после устранения К.З. |
||||||||
|
Окружающая |
Рабочая |
-10°С...50°С, снижение выходной мощности на 2,5% с каждым увеличением температуры на 1°С с 50 до 70°С |
|||||||
|
Влажность |
5%...95%, без образования конденсата |
||||||||
|
Стандарт по электромагнитной совместимости |
GB9254, EN55022 Class A |
GB9504, EN55022 Class A |
GB9254, EN55022 Class A |
GB9254, EN55022 Class A |
|||||
|
Стандарт безопасности |
GB4943, CE EN60950, UL60950 |
||||||||
|
Индикация |
Зеленый светодиод наличия выходного напряжения |
||||||||
|
Способ установки |
На монтажную поверхность |
||||||||
|
Способ подключения |
Винтовое соединение |
||||||||
|
Материал корпуса |
Металл |
||||||||
|
Охлаждение |
Естественное |
||||||||
|
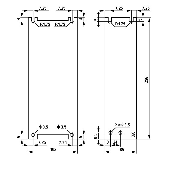
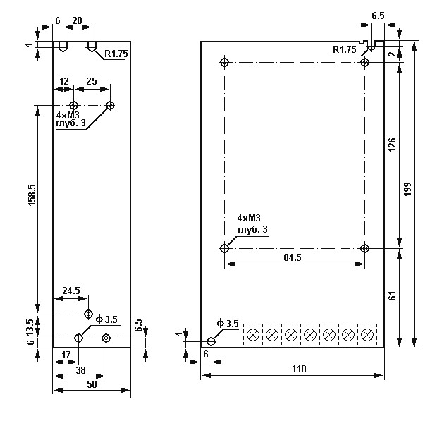
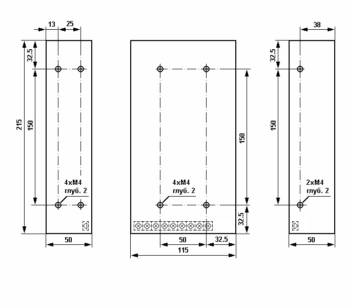
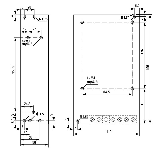
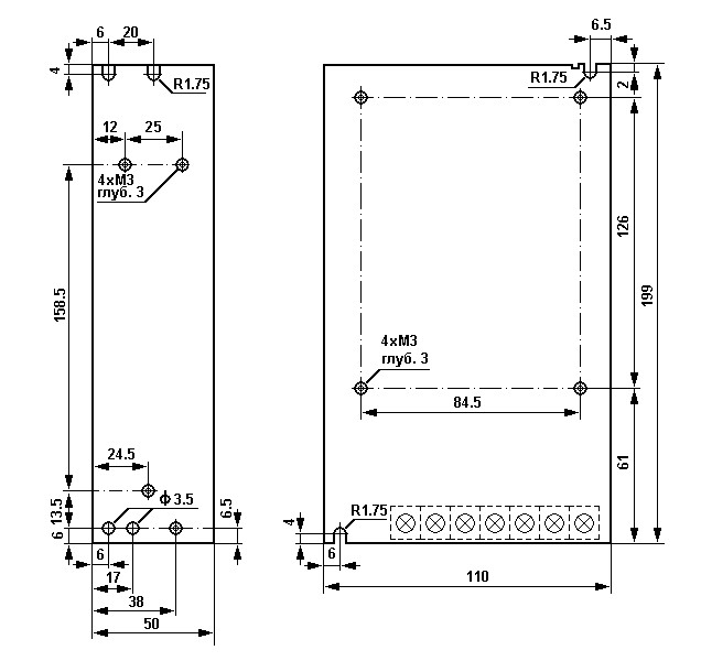
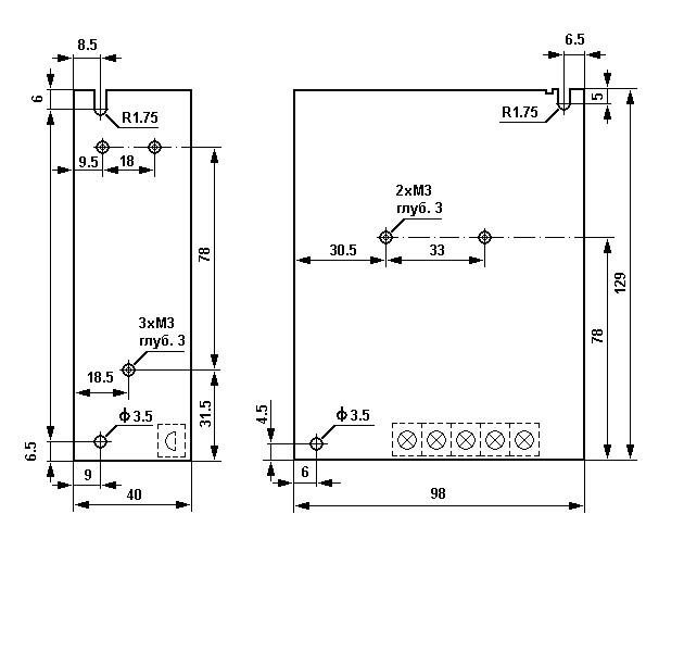
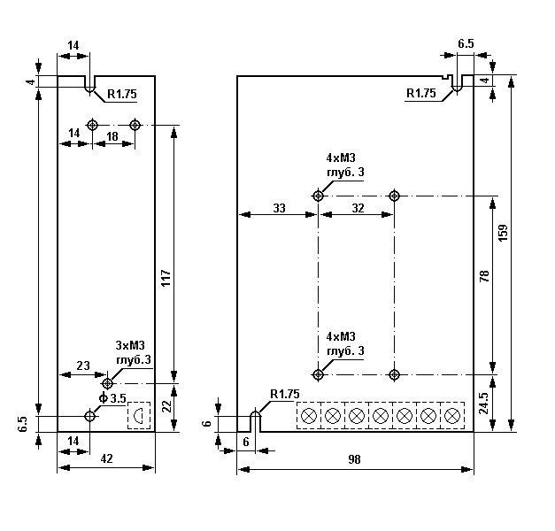
Размеры: шир x глуб x выс, мм |
110 x 78 x 35 |
129 х 98 х 42 |
159 х 98 х 42 |
199 х 110 х 50 |
|||||
|
Масса, гр |
200 |
325 |
475 |
660 |
|||||
|
Модель |
DS-200-12 |
DS-200-24 |
DS-250-12 |
DS-250-24 |
DS-300-12 |
DS-300-24 |
DS-400-12 |
DS-400-24 |
|
|
Uвх, V |
176-264VAC, 47-63 Hz |
176-264VAC, 47-63 Hz |
176-264VAC, 47-63 Hz |
176-264VAC, 47-63 Hz |
|||||
|
Uвых, V |
12VDC±10% |
24VDC±10% |
12VDC±10% |
24VDC±10% |
12VDC±10% |
24VDC±10% |
12VDC±10% |
24VDC±10% |
|
|
Iном, А |
16.6А |
8.3А |
20.8А |
10.4А |
25А |
12.5А |
33А |
16.6А |
|
|
Рвых, W |
200W |
250W |
300W |
400W |
|||||
|
Пульсации и шум |
100mVp-p |
120mVp-p |
120mVp-p |
120mVp-p |
120mVp-p |
120mVp-p |
120mVp-p |
150mVp-p |
|
|
КПД |
80% |
82% |
83% |
84% |
|||||
|
Защита по перенапряжению |
15-18VDC |
30-36VDC |
15-18VDC |
30-36VDC |
15-18VDC |
30-36VDC |
15-18VDC |
30-36VDC |
|
|
Работоспособность восстанавливается после нормализации напряжения |
|||||||||
|
Защита по перегрузке |
Ограничение выходной мощности |
||||||||
|
Защита от К.З. |
Работоспособность восстанавливается после устранения К.З. |
||||||||
|
Окружающая |
Рабочая |
-10°С...50°С, снижение выходной мощности на 2,5% с каждым увеличением температуры на 1°С с 50 до 70°С |
|||||||
|
Влажность |
5%...95%, без образования конденсата |
||||||||
|
Стандарт по электромагнитной совместимости |
GB9254, EN55022 Class A |
GB9254, EN55022 Class A |
GB9254, EN55022 Class A |
GB9254, EN55022 Class A |
|||||
|
Стандарт безопасности |
GB4943, CE EN60950, UL60950 |
||||||||
|
Индикация |
Зеленый светодиод наличия выходного напряжения |
||||||||
|
Способ установки |
На монтажную поверхность |
||||||||
|
Способ подключения |
Винтовое соединение |
||||||||
|
Материал корпуса |
Металл |
||||||||
|
Охлаждение |
|
|
Вентилятор |
Вентилятор |
|||||
|
Размеры: шир x глуб x выс, мм |
199 x 110 x 50 |
199 х 110 х 50 |
215 х 115 х 50 |
256 х 102 х 65 |
|||||
|
Масса, гр |
780 |
780 |
850 |
1050 |
|||||











