Номенклатура каталога постоянно дополняется, и не всегда объективно отражает фактическую.
Наличие и стоимость уточняйте у инженеров!
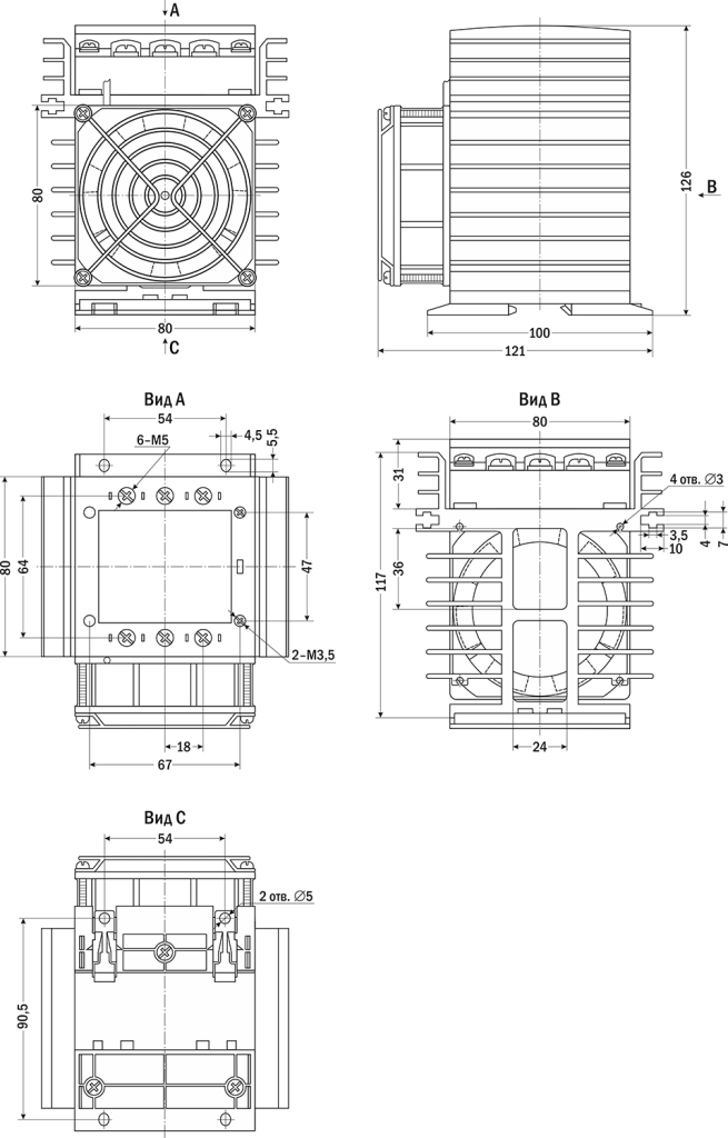
Твердотельное реле с радиатором ARC-SAG-3
Выбрать конфигурацию
- Идёт загрузка...
Особенности:
- Управляются постоянным или переменным током в зависимости от модели
- В сборе с радиатором охлаждения и вентилятором
- Питание вентилятора от сети ~220 В
- Светодиодная индикация состояния выхода
- Высокое быстродействие, время переключения ≤ 10 мс
- Защита реле с помощью быстрых предохранителей (приобретаются отдельно)
- Гальваническая развязка входной и выходной цепей
- Низкий уровень электромагнитных помех благодаря применяемому методу определения перехода напряжения через ноль
Технические характеристики:
|
Параметр |
Значение |
|
|
ARC-SAG-3-40DA |
ARC-SAG-3-40AA |
|
|
Ток нагрузки |
40 А |
|
|
Напряжение нагрузки |
~40...440 В |
|
|
Напряжение управления |
=4...32 В |
~90...250 В |
|
Пороги вкл./выкл. управляющего сигнала |
=3,5 В/=2 В |
~80 В/~40 В |
|
Входной ток |
25 мА |
|
|
Падение напряжения на реле в коммутируемой цепи |
≤ 1,6 В |
|
|
Ток утечки в коммутируемой цепи |
≤ 10 мА |
|
|
Время переключения реле |
≤ 10 мс |
|
|
Сопротивление изоляции |
100 МОм (при =500 В) |
|
|
Электрическая прочность изоляции |
2500 В в течение 1 м (стандарт UL1577) |
|
|
Количество фаз |
3 |
|
|
Питание вентилятора радиатора |
~220 В |
|
|
Условия эксплуатации |
−30...+80°С, 45...85%RH |
|
|
Температура хранения |
−30...+100°С |
|
|
Монтаж |
На DIN-рейку |
|
|
Габаритные размеры |
121×110×126 мм |
|
|
Вес |
1266 г |
|
Габаритные размеры:












