Номенклатура каталога постоянно дополняется, и не всегда объективно отражает фактическую.
Наличие и стоимость уточняйте у инженеров!
Реле твердотельные однофазные GDH
Выбрать конфигурацию
- Идёт загрузка...
Расшифровка номенклатуры
- GDH – Вид твердотельного реле
- GDH – однофазное твердотельное реле (10 – 120А)
- GDM – однофазные твердотельные реле в корпусе промышленного исполнения (100 – 500А)
- GDS – однофазное твердотельное реле (10 – 40А) на Din-рейку
- 40 – рабочий ток 40А (от 10 до 500А)
- 48 – рабочее напряжение 24-480V AC, 38 – 24-380V AC, 23 – 5-220V DC
- ZD3 – тип управляющего сигнала (способ коммутации)
- ZD3 – управление 3-32V DC (коммутация при переходе через ноль)
- ZA2 – управление 70-280V AC (коммутация при переходе через ноль)
- VA – переменный резистор 470-560кОм/2Вт (фазовое управление)
- LA – аналоговый сигнал 4-20мА (фазовое управление)
- VD – аналоговый сигнал 0-10V DC (фазовое управление)
Варианты исполнений:
|
Выходное напряжение |
Управляющее напряжение |
Номинальный коммутируемый ток |
||
|
10A |
25A |
40A |
||
|
480 VAC "перекл. в 0" |
3-32 VDC |
GDH1048ZD3 |
GDH2548ZD3 |
GDH4048ZD3 |
|
70-280V AC |
GDH1048ZA2 |
GDH2548ZA2 |
GDH4048ZA2 |
|
|
Выходное напряжение |
Управляющее напряжение |
Номинальный коммутируемый ток |
|||
|
60A |
85A |
100A |
120A |
||
|
480 VAC "перекл. в 0" |
3-32 VDC |
GDH6048ZD3 |
GDH8048ZD3 |
GDH10048ZD3 |
GDH12048ZD3 |
|
70-280V AC |
GDH6048ZA2 |
GDH8048ZA2 |
GDH10048ZA2 |
GDH12048ZA2 |
|
Технические характеристики и условия эксплуатации:
|
Модификация твердотельного реле |
GDHxxxxxZD3 |
GDHxxxxxZA2 |
|
Коммутируемое напряжение |
24-480V AC |
|
|
Управляющее напряжение |
3-32V DC |
70-280V AC |
|
Потребляемый ток в цепи управления |
3-25mA |
≤12mA |
|
Максимальное пиковое напряжение |
1000V AC |
|
|
Падение напряжения в цепи нагрузки |
≤1,6V AC |
|
|
Ток утечки (выключенное состояние) |
≤10мА |
|
|
Время переключения |
≤10мс |
|
|
Индикация включения |
есть |
|
|
Напряжение пробоя |
2500V AC в теч. 1 минуты |
|
|
Сопротивление изоляции |
500МОм при 500V DC |
|
|
Температура окружающей среды |
-30…+75°C |
|
|
Относительная влажность |
≤95%; (без образования конденсата) |
|
|
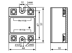
Габаритные размеры |
57,5х44х32мм |
|
|
Способ монтажа |
Винтами на монтажную поверхность |
|
|
Масса |
≤135г |
|
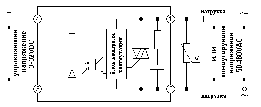
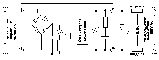
Схемы подключения:
GDHxxxxxZD3
GDHxxxxxZA2
Габаритные размеры:















