Список просмотренных товаров пуст
Список сравниваемых товаров пуст
Список избранного пуст
Ваша корзина пуста
0

Номенклатура каталога постоянно дополняется, и не всегда объективно отражает фактическую.
Наличие и стоимость уточняйте у инженеров!

Клапан нормально закрытый AR-2D21

Артикул:
Товар дня Успей купить
Цена:
От 5 014 руб.
5 014 руб.
экономия 0 руб.

Выбрать конфигурацию

Модель катушки: S91H S91H ASE11H ASEx543
Диаметр условного прохода, мм: 15 12 15 20 25 32 40 50
Питание, В: ~220 В ~220 В =24 В
Срок поставки: Уточнять у инженеров Уточнять у инженеров
Клапан нормально закрытый AR-2D21, 15, S91H, ~220
5 014 руб.
шт
В корзину
Доставка
  • Идёт загрузка...
Описание
Клапан соленоидный нормально закрытый непрямого действия с диафрагмой AR-2D21 предназначен для управления потоком рабочей среды в трубопроводе
Особенности:

  • Защита трубопровода от гидравлических ударов благодаря специальной конструкции клапана
  • Высокая частота срабатывания
  • Долгий срок службы
Принцип действия и область применения:

Нормально закрытый соленоидный клапан – это магнитный клапан, в котором закрытое положение сохраняется, если управляющее напряжение на его индукционную катушку не подается. При подаче напряжения на катушку нормально закрытый клапан открывается и пропускает через себя поток рабочей среды. При отключении управляющего напряжения этот клапан автоматически закрывается и перекрывает поток рабочей среды в трубопроводе. При обрыве провода управляющего напряжения клапан будет закрыт.
В большинстве случаев подходит для эксплуатации в системах водоснабжения, теплоснабжения, вентиляции и пневмоуправления. Особенно актуально применение этого типа клапана, когда клапан должен быть закрыт большую часть времени либо когда он обязательно должен быть закрыт при отключении электропитания системы.
Для защиты клапана от попадания инородных частиц необходима установка фильтра механической очистки перед входным отверстием соленоидного клапана.
Для герметизации резьбовых металлических соединений рекомендуется использование анаэробных герметиков.

Характеристики
Характеристики:
Параметр
Значение
Рабочая среда Вода, горячая вода, воздух, инертные газы, масла, спирт
Материал корпуса Латунь
уплотнения VITON
Температура рабочей среды −30...+150°С
Рабочее давление 0,03...1,6 МПа
Диаметр условного прохода 12...50 мм
Присоединение Резьбовое G⅜"...G2"
Питание
~380 В, ~220 В, ~110 В, ~36 В, ~24 В, =24 В, =12 В, =6 В
Катушка
Мощность
AC
DC
~380 В ~220 В
~110 В
~36 В ~24 В
=24 В =12 В
=6 В
S91H
IP54
10 ВА
V

V

20 ВА
V V V


14 Вт V V V
ASE11H*
IP65
4,5 ВА
V




8 Вт
V V
ASEx543**
IP65
23 ВА V V V

13 Вт V V

* Использование энергосберегающей катушки ASE11H позволяет снизить температуру нагрева катушки и тем самым продлить срок ее службы в несколько раз.
** Использование взрывозащищенной катушки ASEx543 может привести к уменьшению верхнего предела рабочего давления клапана.

Модификации:

Модель
Ду, мм
Kv, м³/ч
Присоединение Pmin, МПа  Pmax, МПа
AR-2D21-12-3/8-GBV
12
4,5
⅜" 0,03
1,6
AR-2D21-15-1/2-GBV
15
4,5
½"
AR-2D21-20-3/4-GBV
20
9,3
¾"
AR-2D21-25-1-GBV
25 12 1"
AR-2D21-32-1.1/4-GBV
32
24
1¼"
AR-2D21-40-1.1/2-GBV
40
29
1½"
AR-2D21-50-2-GBV
50
48
2"
Расшифровка обозначения на примере клапана AR-2D21-12-3/8-GBV:
AR-2D21 – модель клапана.
12 – диаметр условного прохода.
3/8 – размер резьбы, в дюймах.
X – присоединение: G – трубная резьба.
Y – материал корпуса: B – латунь.
Z – материал уплотнения: V – VITON.
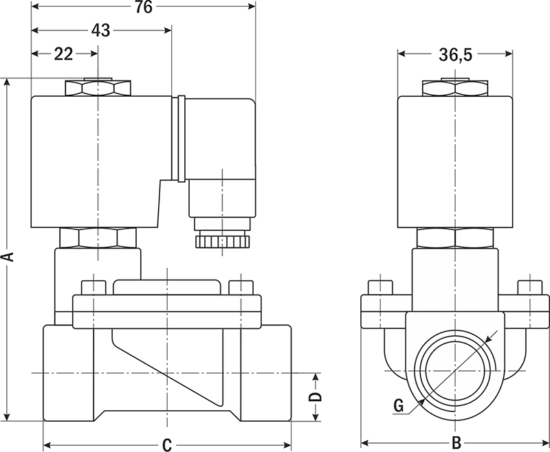
Габаритные размеры
AR-2D21_ch.png
AR-2D21
Размер, мм
-12
-15
-20
-25
-32
-40 -50
A
101
101
111
124
144
144
157
B
49
49
59
72
96
96
122
C
75
75
83
100
130
130
153
D
13
13
16
20
28
28
35
G
⅜"
½" ¾" 1" 1¼" 1½" 2"
Вес, г
766
740
970
1335
2507
2354
3749

Версия: 2024-01-26-ЛВС
Клапан нормально закрытый AR-2D21, 15, S91H, ~220
Артикул: O42702
Цена:
5 014 руб.
шт
Клапан нормально закрытый AR-2D21, 12, S91H, ~220
Артикул: O42701
Цена:
5 014 руб.
шт
Клапан нормально закрытый AR-2D21, 15, S91H, =24В
Артикул: O42758
Цена:
5 114 руб.
шт
Клапан нормально закрытый AR-2D21, 12, S91H, =24В
Артикул: O42757
Цена:
5 114 руб.
шт
Клапан нормально закрытый AR-2D21, 20, S91H, ~220
Артикул: O42703
Цена:
6 397 руб.
шт
Клапан нормально закрытый AR-2D21, 20, S91H, =24В
Артикул: O42759
Цена:
6 497 руб.
шт
Клапан нормально закрытый AR-2D21, 15, ASE11H, ~220
Артикул: O42709
Цена:
6 673 руб.
шт
Клапан нормально закрытый AR-2D21, 12, ASE11H, ~220
Артикул: O42708
Цена:
6 673 руб.
шт
Клапан нормально закрытый AR-2D21, 15, ASE11H, =24В
Артикул: O42765
Цена:
6 773 руб.
шт
Клапан нормально закрытый AR-2D21, 12, ASE11H, =24В
Артикул: O42764
Цена:
6 773 руб.
шт
Клапан нормально закрытый AR-2D21, 25, S91H, ~220
Артикул: O42704
Цена:
7 781 руб.
шт
Клапан нормально закрытый AR-2D21, 25, S91H, =24В
Артикул: O42760
Цена:
7 881 руб.
шт
Клапан нормально закрытый AR-2D21, 20, ASE11H, ~220
Артикул: O42710
Цена:
8 056 руб.
шт
Клапан нормально закрытый AR-2D21, 20, ASE11H, =24В
Артикул: O42766
Цена:
8 156 руб.
шт
Клапан нормально закрытый AR-2D21, 25, ASE11H, ~220
Артикул: O42711
Цена:
9 440 руб.
шт
Клапан нормально закрытый AR-2D21, 25, ASE11H, =24В
Артикул: O42767
Цена:
9 540 руб.
шт
Клапан нормально закрытый AR-2D21, 15, ASEx543, ~220
Артикул: O42716
Цена:
11 430 руб.
шт
Клапан нормально закрытый AR-2D21, 12, ASEx543, ~220
Артикул: O42715
Цена:
11 430 руб.
шт
Клапан нормально закрытый AR-2D21, 15, ASEx543, =24В
Артикул: O42772
Цена:
11 530 руб.
шт
Клапан нормально закрытый AR-2D21, 12, ASEx543, =24В
Артикул: O42771
Цена:
11 530 руб.
шт
AlfaSystems GoPro GP261D21
Разработано в АЛЬФА Системс