Номенклатура каталога постоянно дополняется, и не всегда объективно отражает фактическую.
Наличие и стоимость уточняйте у инженеров!
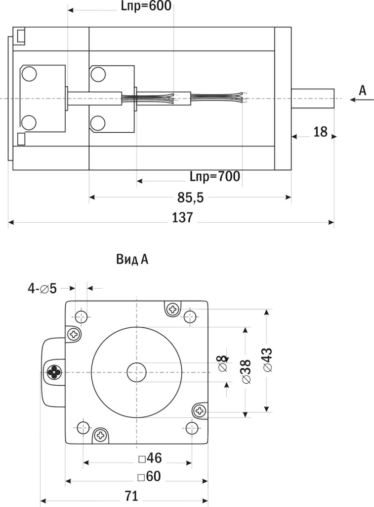
Шаговый двигатель с энкодером ШДГЭ-60
Выбрать конфигурацию
- Идёт загрузка...
Шаговый двигатель с энкодером ШДГЭ-60 предназначен для преобразования электрических импульсов в дискретные механические перемещения. Шаговые двигатели широко применяются в станках с ЧПУ (фрезерные, гравировальные станки, машины лазерной, плазменной или газовой резки металла), в роботах, конвейерах, системах подачи и т.д.
Особенности:
- Длительный срок службы, высокая износоустойчивость и безотказность работы благодаря отсутствию механически трущихся деталей или частей
- Двигатель обеспечивает полный момент в режиме остановки
- Возможность быстрого старта, остановки или реверсирования
- Совместимость с современными цифровыми устройствами
Технические характеристики:
|
Параметр |
Значение |
|
Угловой шаг |
1,8° |
|
Количество шагов на оборот |
200 |
|
Разрешающая способность энкодера |
500 имп./об., 1000 имп./об. |
|
Количество фаз |
2 |
|
Типоразмер NEMA |
24 |
|
Фланец |
60 мм |
|
Количество проводов |
4 |
Модификации:
|
Модель |
Крутящий момент на валу, Н·м |
Номинальный ток, А/фаза |
Номинальное сопротивление, Ом/фаза |
Индуктивность, мГн/фаза |
Момент инерции ротора, г·см² |
Длина L, мм |
|
ШДГЭ-60.44,5-1/4 |
1 |
4 |
0,5 |
1,3 |
280 |
44,5 |
|
ШДГЭ-60.54,5-1,56/4 |
1,56 |
4 |
0,6 |
1,8 |
450 |
54,5 |
|
ШДГЭ-60.65,5-1,94/4 |
1,94 |
4 |
0,72 |
2,6 |
560 |
65,5 |
|
ШДГЭ-60.85,5-3,1/4 |
3,1 |
4 |
0,93 |
3,5 |
900 |
85,5 |
|
ШДГЭ-60.101,5-3,6/4 |
3,6 |
4 |
1,07 |
3,95 |
1130 |
101,5 |
Габаритные размеры:












