Номенклатура каталога постоянно дополняется, и не всегда объективно отражает фактическую.
Наличие и стоимость уточняйте у инженеров!
Датчик температуры NTC-A-1073
Товар дня
Успей купить
Цена:
324 руб.
324 руб.
экономия
0 руб.
Доставка
- Идёт загрузка...
Описание
Датчик предназначен для измерения температуры в системах управления отоплением, вентиляцией и кондиционированием воздуха HVAC (от англ. Heating, Ventilation & Air Conditioning), подключается к термостатам и терморегуляторам, например ARCOM-N37, ART-D2, ТРМ-900, RTC 70F, ARCOM-D2, ARCOM-N472, ARCOM-W793, ARCOM-W461, ARCOM-N371.
Прежнее название датчика NTC-A-1073: NTC 0188-2-К
Системы вентиляции не включены в номенклатуру продукции и услуг (работ), в отношении которых законодательными актами Российской Федерации предусмотрена их обязательная сертификация. Вводится в действие Постановлением Госстандарта России от 30 июля 2002 г. N 64 (в ред. Постановления Госстандарта РФ от 08.01.2003 N3, Поправок, утв. Госстандартом РФ). Соответственно, устройства, которые используются для измерения параметров в данных системах, не подлежат обязательной сертификации.
Принцип действия:
NTC-датчик (термистор, терморезистор, термометр сопротивления) – это полупроводниковый прибор, электрическое сопротивление которого изменяется в зависимости от температуры. NТС-датчики имеют отрицательный температурный коэффициент сопротивления (ТКС) (Negative Temperature Coefficient – отрицательный температурный коэффициент), т.е. сопротивление уменьшается при увеличении температуры и увеличивается при ее уменьшении.
Особенности:
- Высокая чувствительность
- Влагозащищенный IP68
- Низкая стоимость по сравнению с термосопротивлениями
- Оптимален для установки в арматуру от термодатчиков (см. фото)
- Увеличение длины кабельного вывода до 100 м методом пайки стандартным двужильным медным проводом (например, ШВВП 2×0,7 мм²) практически не влияет на точность измерений
- Датчик совместим с коммутационной головкой ГДТ -35-27-АР.
На датчики NTC внешние электромагнитные поля оказывают гораздо более слабое воздействие, чем на обычные термосопротивления. Однако в случае очень сильных электромагнитных полей при монтаже NТС-датчиков провода от места установки самого датчика до регулятора желательно прокладывать на максимально возможном удалении от источников помех. Если конструкция установки не позволяет этого сделать, то уменьшить влияние внешнего электромагнитного поля позволяет экранирование измерительного провода и последующее заземление экрана.
Характеристики
Бренд:
ARCOM
Характеристики:
Версия: 2022-10-01-ЛВС
*указывается, если у датчика есть выбор по данному параметру
| Параметр | Значение |
|
Диапазон измерения температуры |
−40...+125°С |
|
Погрешность |
±1% |
|
Тип |
NTC 10k ±1% 3950 |
|
Сопротивление при +25°С |
10 кОм |
|
Изменение сопротивления |
0,35...336 кОм (0,35 кОм соответствует верхнему пределу диапазона измерения температуры: +125°С, 336 кОм – нижнему: −40°С) |
|
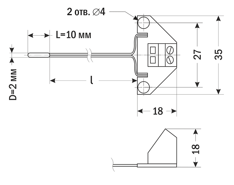
Длина монтажной части (L) |
10 мм |
|
Диаметр монтажной части (D) |
2 мм |
|
Длина кабельного вывода (l) |
140 мм – стандарт до 100 000 мм – по заказу погрешность длины кабельного вывода ±3% |
|
Схема подключения |
2-проводная |
|
Подключение |
винтовые клеммы |
|
Материал монтажной части |
эпоксидная смола |
|
Степень защиты |
IP68 |
| Габаритные размеры |
|
Версия: 2022-10-01-ЛВС
| Номер позиции | Название позиции | Обозначение | Расшифровка |
|
1 |
Вид датчика |
ТП-А |
Термопара |
| ТС-А | Термосопротивление | ||
| NTC-A | Датчик температуры NTC | ||
| HV-A | Датчик температуры для HVAC | ||
|
2 |
Тип |
1 |
Бескорпусный/без кабеля |
|
4 |
В корпусе с кабелем | ||
|
5 |
С пластиковой коммутационной головкой |
||
|
6 |
В металлическом корпусе с металлической коммутационной головкой |
||
|
7 |
В керамическом корпусе с металлической коммутационной головкой |
||
|
3 |
Резьба |
0 |
Нет резьбы |
|
1 |
С внешней резьбой | ||
|
2 |
С внутренней резьбой | ||
|
3 |
С резьбой и пружиной |
||
|
4 |
С байонетом |
||
|
5 |
С резьбой и гайкой |
||
|
4 |
Модификация |
0 |
|
|
1 |
|
||
|
... |
|
||
|
5 |
Порядковый номер |
1 |
|
|
... |
|
||
|
6 |
Диаметр датчика |
0,5 |
0,5 мм |
|
2 |
2 мм |
||
|
5 |
5 мм |
||
|
... |
|
||
|
7 |
Типоразмер резьбы |
G1/2 |
G½" |
|
M8x1 |
M8×1 |
||
|
M16x1,5 |
M16×1,5 |
||
|
... |
|
||
| 8 | Длина монтажной части |
020 |
20 мм |
|
050 |
50 мм |
||
|
100 |
100 мм |
||
|
250 |
250 мм |
||
|
... |
|
||
|
9 |
Номинальная статическая характеристика |
ХА |
ХА(К) |
|
ЖК |
ЖК (J) | ||
|
Pt100 |
Pt100 |
||
|
10k |
NTC 10k |
||
|
... |
|
||
|
10 |
Тип спая (дополнительно для ТП-А) |
Пусто |
Изолированный |
|
Н |
Неизолированный |
||
|
11 |
Длина провода |
2,0 |
2000 мм |
|
0,6 |
600 мм | ||
|
... |
|
||
|
12 |
Тип провода* |
ПТНГЭк |
ПТНГЭк-А |
|
КМТФЭт |
КМТФЭт-А-3 |
||
|
... |
|
||
|
13 |
Материал корпуса датчика* |
С |
Нержавеющая сталь |
|
Л |
Никелированная латунь |
||
| Ин |
Inconel 600 |
||
|
14 |
Класс допуска* |
A |
Класс А |
|
B |
Класс B |
||
*указывается, если у датчика есть выбор по данному параметру












