Номенклатура каталога постоянно дополняется, и не всегда объективно отражает фактическую.
Наличие и стоимость уточняйте у инженеров!
Фильтр-регулятор с автоматическим сливом конденсата ФР-Х000А
Выбрать конфигурацию
- Идёт загрузка...
Фильтр-влагоотделитель с регулятором давления и автоматическим сливом конденсата ФР-Х000А предназначен для очистки сжатого воздуха от капельной влаги и твердых частиц, удаления конденсата и автоматического поддержания давления на заданном уровне в пневматических системах
Особенности:
- Регулятор давления и фильтр-влагоотделитель в одном корпусе
- Прибор со встроенным манометром
- Может устанавливаться отдельно или в качестве модуля блока подготовки воздуха
- Автоматический слив конденсата
- Рукоятка регулировки давления легко фиксируется в нужном положении путем нажатия
- Фильтрующий элемент изготовлен из пластика или спеченной бронзовой крошки, легко заменяется
- Материал корпуса: алюминиевый сплав
- В случае необходимости замены диафрагмы (износ, смена температурных условий и пр.) выберите новую диафрагму
- Манометр в комплекте. При необходимости манометр можно заменить
- Для перехода на другие размеры резьбы используются футорки, например, VTr.581.N
Технические характеристики:
|
Параметр |
Значение |
|
Рабочая среда |
Сжатый воздух |
|
Рабочее давление |
0,05...1 МПа |
|
Максимальное давление |
1,5 МПа |
|
Диапазон регулировки |
0,05...0,85 МПа |
|
Тонкость очистки |
5 мкм или 25 мкм |
|
Присоединение |
G¼"...G1" |
|
Присоединение манометра |
G⅛"...G¼" |
|
Расход воздуха |
550...5500 л/мин |
|
Рабочая температура |
+5...+60°С |
Модификации:
|
Модель |
Расход воздуха, л/мин |
Присоединение |
Присоединение манометра |
Габаритные размеры, мм |
Вес, г |
|
ФР-2000А-14 |
550 |
G¼" |
G⅛" |
180×54×83 |
360 |
|
ФР-3000А-14 |
2000 |
G¼" |
G⅛" |
244×54×92 |
560 |
|
ФР-3000А-38 |
2000 |
G⅜" |
G⅛" |
244×54×92 |
560 |
|
ФР-4000А-12 |
4000 |
G½" |
G¼" |
299×70×112 |
1150 |
|
ФР-4000А-34 |
4500 |
G¾" |
G¼" |
288×75×117 |
1210 |
|
ФР-5000А-34 |
5500 |
G¾" |
G¼" |
366×90×115 |
1700 |
|
ФР-5000А-1 |
5500 |
G1" |
G¼" |
366×90×115 |
1700 |
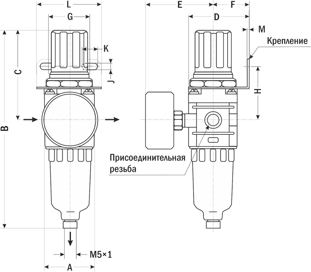
Габаритные размеры:
ФР-2000А
ФР-3000А, ФР-4000А, ФР-5000А
|
Модель |
Размеры,мм |
|||||||||||||
|
A |
B |
C |
D |
d |
E |
F |
G |
H |
J |
K |
L |
M |
N* |
|
|
ФР-2000А |
40 |
180 |
73 |
52 |
- |
49 |
34 |
32,5 |
43,5 |
5 |
15 |
54 |
2 |
42 |
|
ФР-3000А |
53 |
244 |
87 |
66 |
10 |
53 |
39 |
35 |
46 |
6 |
11 |
54 |
2 |
42 |
|
ФР-4000А-12 |
70 |
299 |
108 |
80 |
10 |
63 |
49 |
44 |
50 |
8 |
19 |
70 |
2 |
52,5 |
|
ФР-4000А-34 |
75 |
288 |
110 |
80 |
8 |
68 |
49 |
44 |
55,5 |
8 |
19 |
70 |
2 |
52,5 |
|
ФР-5000А |
90 |
366 |
116 |
80 |
8/10 |
66 |
49 |
44 |
59 |
8 |
19 |
70 |
2 |
52,5 |
* N – диаметр отверстия в крепежной панели













