Номенклатура каталога постоянно дополняется, и не всегда объективно отражает фактическую.
Наличие и стоимость уточняйте у инженеров!
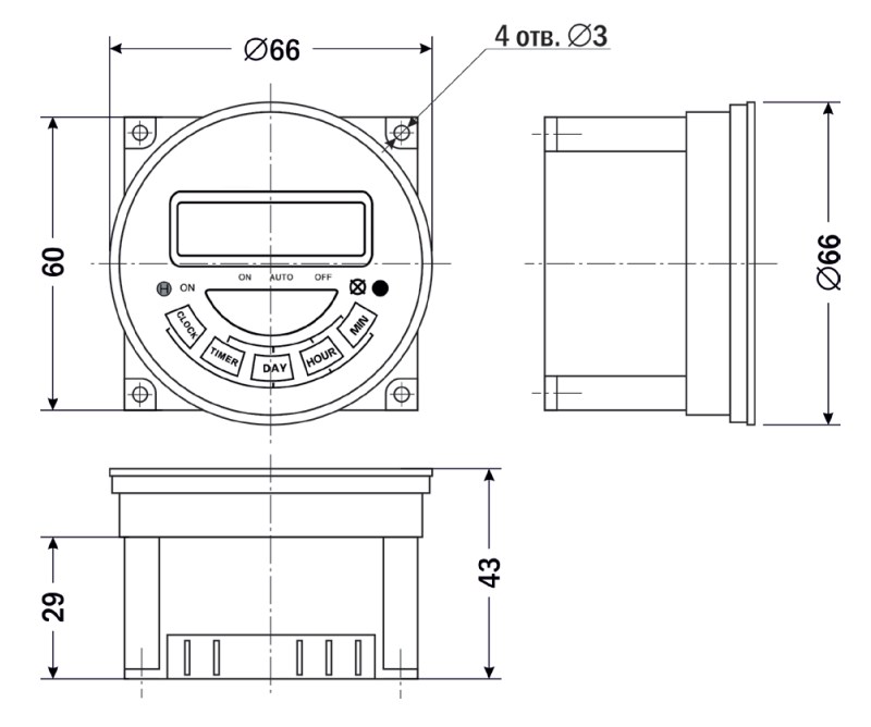
Недельное реле времени (таймер) ARCOM-WT16
Выбрать конфигурацию
- Идёт загрузка...
Особенности:
- ЖК-дисплей
- Высота символов: 6 мм
- Установка времени с точностью до минуты
- Возможность ручного переключения контактов реле кнопкой на лицевой панели
- Защитная прозрачная пластиковая крышка
- Ламели для подключения в комплекте
Технические характеристики:
|
Параметр |
Значение |
|
Режим работы |
Ручной, автоматический |
|
Емкость памяти |
16 программ |
|
Выходной контакт |
1 переключающий |
|
Питание |
~220 В, ≅24 В, ≅12 В |
|
Потребляемая мощность |
≤ 2 Вт |
|
Точность хода часов |
±1 с/день (при +25°С) |
|
Элемент питания |
=3 В CR2032 |
|
Механическая износостойкость |
≥ 107 циклов |
|
Электрическая износостойкость |
≥ 107 циклов |
|
Условия эксплуатации |
−10...+40°С, ≤ 85%RH |
|
Монтаж |
Настенный |
|
Высота символов |
6 мм |
|
Габаритные размеры |
66×66×43 мм |
|
Вес |
96 г |
Габаритные размеры:












