Номенклатура каталога постоянно дополняется, и не всегда объективно отражает фактическую.
Наличие и стоимость уточняйте у инженеров!
Термопара с коммутационной головкой ТП-А-6001
Товар дня
Успей купить
Цена:
От 4 290 руб.
4 290 руб.
экономия
0 руб.
Выбрать конфигурацию
Доставка
- Идёт загрузка...
Описание
Термопара предназначена для измерения температуры жидких и газообразных сред, неагрессивных к материалу корпуса датчика
Прежнее название термопары ТП-А-6001: ТП-А-2388-05
Принцип действия и конструкция:
Термопара представляет собой два термоэлектрода из различных металлов, спаянных между собой. При помещении одного спая (рабочего) в измеряемую среду вследствие разницы температур спаев по термоэлектродам протекает ЭДС, прямо пропорциональная разности этих температур.
Внимание! Максимальная температура места перехода «арматура-кабельный вывод» не более +500°С.
Особенности:
Монтаж:
Для соединения термопар с измерительными приборами используются компенсационные провода (поставляются отдельно), например:
– ПТН-А;
– ПТНн-А;
– ПТНт-А;
– ПТНГт-А;
– ПТНЭ-А;
– ПТНГЭ-А;
– ПТНЭк-А;
– ПТНГЭк-А.
Для подключения термопары необходимо пропустить провод через гермоввод, открутить винтовую крышку коммутационной головки и подключить провод с соблюдением полярности (см. фото коммутационной головки без крышки)
Показатели надежности и условия эксплуатации:
– вероятность безотказной работы — не менее 0,95 за 16 000 ч;
– средний срок службы — не менее 4 лет;
– гарантийный срок эксплуатации — 2 года.
Устойчивость к внешним механическим воздействиям по ГОСТ Р 52931-2008 — группа V2.
Рабочие условия эксплуатации коммутационной головки:
– помещения с нерегулируемыми климатическими условиями и (или) навесы;
– относительная влажность не более 95% при +35°С и более низких температурах без конденсации влаги;
– атмосферное давление от 84 до 106,7 кПа.
Прежнее название термопары ТП-А-6001: ТП-А-2388-05
Принцип действия и конструкция:
Термопара представляет собой два термоэлектрода из различных металлов, спаянных между собой. При помещении одного спая (рабочего) в измеряемую среду вследствие разницы температур спаев по термоэлектродам протекает ЭДС, прямо пропорциональная разности этих температур.
Внимание! Максимальная температура места перехода «арматура-кабельный вывод» не более +500°С.
Особенности:
- Термопара используется для контроля температуры в муфельных печах, котельных установках, различных печах обжига, термообработки, плавки и др.
- Цепочка, соединяющая крышку с коммутационной головкой, предотвращает потерю крышки
- Термопара является неполным аналогом дТП025, ТХА/ТХК-2088, ТХА/ТХК-2388, ТХА/ТХК-0193
Монтаж:
Для соединения термопар с измерительными приборами используются компенсационные провода (поставляются отдельно), например:
– ПТН-А;
– ПТНн-А;
– ПТНт-А;
– ПТНГт-А;
– ПТНЭ-А;
– ПТНГЭ-А;
– ПТНЭк-А;
– ПТНГЭк-А.
Для подключения термопары необходимо пропустить провод через гермоввод, открутить винтовую крышку коммутационной головки и подключить провод с соблюдением полярности (см. фото коммутационной головки без крышки)
| Полярность | ХА(К) |
ХК (L) |
ЖК (J) |
НН (N) |
ХКн (E) |
МКн (Т) |
| «+» |
красная жила (хромель) |
красная жила (хромель) |
красная жила (железо) |
красная жила (нихросил) |
красная жила (хромель) |
красная жила (медь) |
| «−» |
зеленая жила (алюмель) |
оранжевая жила (копель) |
синяя жила (константан) |
белая жила (нисил) |
черная жила (константан) |
коричневая жила (константан) |
Показатели надежности и условия эксплуатации:
– вероятность безотказной работы — не менее 0,95 за 16 000 ч;
– средний срок службы — не менее 4 лет;
– гарантийный срок эксплуатации — 2 года.
Устойчивость к внешним механическим воздействиям по ГОСТ Р 52931-2008 — группа V2.
Рабочие условия эксплуатации коммутационной головки:
– помещения с нерегулируемыми климатическими условиями и (или) навесы;
– относительная влажность не более 95% при +35°С и более низких температурах без конденсации влаги;
– атмосферное давление от 84 до 106,7 кПа.
Характеристики
Бренд:
ARCOM
Характеристики:
Предельные допустимые отклонения согласно ГОСТ Р 8.585-2001 (справочная таблица):
Диапазон измеряемых температур зависит от конструктивного исполнения датчика и материала защитной арматуры.
Т — абсолютное значение температуры измеряемой среды, °С.
Версия: 2022-02-05-ЛВС
| Параметр | Значение | ||
| Номинальная статическая характеристика |
ХА (К) – стандарт ХК (L), ЖК (J), НН (N), ХКн (E), МКн (Т) – по заказу |
||
| Диапазон измеряемых температур |
−40...+1100°С (для ХА(К)) |
||
|
Условное давление |
2,5 МПа |
||
|
Класс допуска датчика |
1 |
||
|
Допустимое отклонение |
±2°С |
||
|
Длина монтажной части (L) |
500 мм, 800 мм, 1000 мм, 1250 мм – стандарт 60 мм, 80 мм, 100 мм, 120 мм, 160 мм, 180 мм, 200 мм, 250 мм, 320 мм, 400 мм, 630 мм, 1600 мм, 2000 мм – по заказу |
||
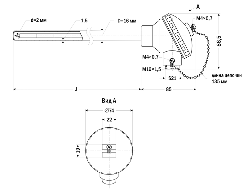
| Диаметр монтажной части (D) |
16 мм |
||
| Диаметр термоэлектрода (d) | 2 мм | ||
|
Тип спая |
изолированный |
||
|
Тепловая инерция |
≤ 20 с |
||
|
Исполнение коммутационной головки |
металл |
||
| Материал коммутационной головки | силумин | ||
| Материал корпуса датчика |
нержавеющая сталь 08Х18Н10 |
||
|
Степень защиты |
IP65 |
||
| Габаритные размеры |
|
Предельные допустимые отклонения согласно ГОСТ Р 8.585-2001 (справочная таблица):
| Класс допуска |
1 |
2 |
||
| Тип | Диапазон измерения | Допустимые отклонения | Диапазон измерения |
Допустимые отклонения |
|
ХА (К) |
−40...+375°С |
±1,5°С |
−40...+333°С |
±2,5°С |
|
+375...+1000°С |
±0,004Т |
+333...+1300°С |
±0,0075Т |
|
|
ХК (L) |
– | – |
−40...+360°С |
±2,5°С |
| – | – |
+360...+800°С |
±(0,7°С+0,005T) |
|
|
ЖК (J) |
−40...+375°С |
±1,5°С |
−40...+333°С |
±2,5°С |
|
+375...+750°С |
±0,004Т |
+333...+900°С |
±0,0075Т |
|
|
НН (N) |
−40...+375°С |
±1,5°С |
−40...+333°С |
±2,5°С |
|
+375...+1000°С |
±0,004Т |
+333...+1300°С |
±0,0075Т |
|
|
ХКн (E) |
−40...+375°С |
±1,5°С |
−40...+333°С |
±2,5°С |
|
+375...+800°С |
±0,004Т |
+333...+990°С |
±0,0075Т |
|
|
МКн (Т) |
−40...+125°С |
±0,5°С |
−40...+135°С |
±1,0°С |
|
+125...+350°С |
±0,004Т |
+135...+350°С |
±0,0075Т |
|
|
ПП (S) |
0...+1100°С |
±1,0°С |
0...+600°С |
±1,5°С |
|
+1100...+1600°С |
±(1,0+0,003(Т−1100)) |
+600...+1600°С |
±0,0025Т |
|
Диапазон измеряемых температур зависит от конструктивного исполнения датчика и материала защитной арматуры.
Т — абсолютное значение температуры измеряемой среды, °С.
Версия: 2022-02-05-ЛВС
Термопара с коммутационной головкой ТП-А-6001, ТП-А-6001-16-500-ХА, 500
Артикул:
G12468
Цена:
4 290 руб.
Термопара с коммутационной головкой ТП-А-6001, ТП-А-6001-16-800-ХА, 800
Артикул:
G12469
Цена:
5 070 руб.
Термопара с коммутационной головкой ТП-А-6001, ТП-А-6001-16-1000-ХА, 1000
Артикул:
G12470
Цена:
5 460 руб.
Термопара с коммутационной головкой ТП-А-6001, ТП-А-6001-16-1250-ХА, 1250
Артикул:
G12471
Цена:
5 850 руб.












