Номенклатура каталога постоянно дополняется, и не всегда объективно отражает фактическую.
Наличие и стоимость уточняйте у инженеров!
Термопара ТП-А-4401
Выбрать конфигурацию
- Идёт загрузка...
Термопара предназначена для измерения температуры жидких и газообразных сред, неагрессивных к материалу корпуса датчика, а также твердых тел — нагревательных поверхностей и плит, нагревательных элементов и т.д.
Прежнее название термопары ТП-А-4401: ТП-А-2488-1
Принцип действия и конструкция:
Термопара представляет собой два термоэлектрода из различных металлов, спаянных между собой. При помещении одного спая (рабочего) в измеряемую среду вследствие разницы температур спаев по термоэлектродам протекает ЭДС, прямо пропорциональная разности этих температур.
Кабельный вывод обеспечивает удобство и быстроту монтажа, но ограничивает верхний предел измеряемых температур до +400°С.
Внимание! Максимальная температура места перехода «арматура-кабельный вывод» не более +300°С.
- Термопара надежно работает в условиях повышенной вибрации. Как правило, используется для контроля температуры экструдеров при производстве пластмасс и резиновых смесей
- Благодаря байонетному разъему термопара может легко и быстро подключаться к оборудованию (монтаж и демонтаж без инструмента)
- Стандартная метрическая резьба М12×1,5 на ответной части байонета позволяет легко монтировать термопару в стандартное резьбовое отверстие в объекте измерения температуры
- Колпачок байонета под пружину ∅ 5 мм можно перемещать по пружине вращением, таким образом регулируется установочная длина термопары
- Пружина из нержавеющей стали защищает провод от излома и обеспечивает более плотное прилегание монтажной части к объекту измерения
- Термопара является неполным аналогом дТП234
Монтаж:
Для соединения термопар с измерительными приборами используются компенсационные провода, например:
– ПТН-А;
– ПТНн-А;
– ПТНт-А;
– ПТНГт-А;
– ПТНЭ-А;
– ПТНГЭ-А;– ПТНЭк-А;
– ПТНГЭк-А.
При подключении проводов необходимо соблюдать полярность
| Полярность | ХА(К) |
ХК (L) |
ЖК (J) |
НН (N) |
ХКн (E) |
МКн (Т) |
| «+» |
красная жила (хромель) |
красная жила (хромель) |
красная жила (железо) |
красная жила (нихросил) |
красная жила (хромель) |
красная жила (медь) |
| «−» |
зеленая жила (алюмель) |
оранжевая жила (копель) |
синяя жила (константан) |
белая жила (нисил) |
черная жила (константан) |
коричневая жила (константан) |
Показатели надежности и условия эксплуатации:
– вероятность безотказной работы — не менее 0,95 за 16 000 ч;
– средний срок службы — не менее 4 лет;
– гарантийный срок эксплуатации — 2 года.
Устойчивость к внешним механическим воздействиям по ГОСТ Р 52931-2008 — группа N2.
Рабочие условия эксплуатации места перехода «арматура-кабельный вывод»:
– помещения с нерегулируемыми климатическими условиями и (или) навесы;
– относительная влажность не более 95% при +35°С и более низких температурах без конденсации влаги;
– атмосферное давление от 84 до 106,7 кПа.
| Параметр | Значение | ||
| Номинальная статическая характеристика |
ХА (К), ЖК (J) – стандарт ХК (L), НН (N), ХКн (E), МКн (Т) – по заказу |
||
| Диапазон измеряемых температур |
−40...+400°С |
||
|
Условное давление |
2,0 МПа |
||
|
Класс допуска датчика |
2 |
||
|
Допустимое отклонение |
±3°С |
||
|
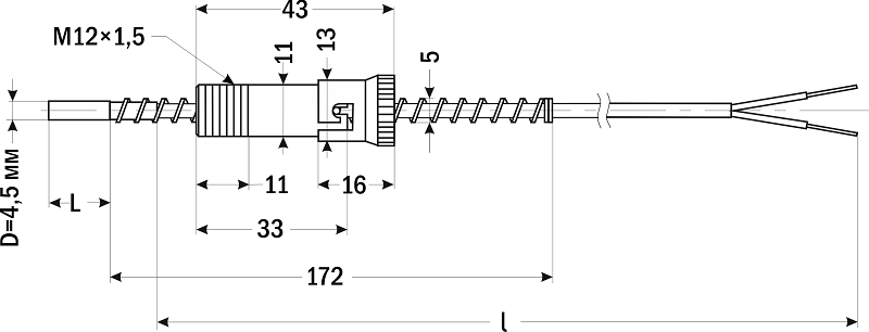
Длина монтажной части (L) |
10 мм, 13 мм – стандарт, 20 мм, 30 мм, 40 мм, 50 мм, 60 мм, 70 мм, 80 мм, 90 мм, 100 мм – по заказу |
||
| Диаметр монтажной части (D) |
4,5 мм |
||
| Присоединение | байонет М12×1,5 | ||
|
Длина кабельного вывода (l) |
2000 мм – стандарт до 50 000 мм – по заказу погрешность длины кабельного вывода ±3% |
||
|
Тип спая |
неизолированный |
||
|
Тепловая инерция |
≤ 10 с |
||
|
Материал корпуса датчика |
нержавеющая сталь |
||
| Провод | ПТНЭ-А, одножильный | ||
| Сечение провода | 2×0,2 мм² | ||
| Наружные размеры провода | 2×3 мм | ||
|
Степень защиты |
IP54 |
||
| Габаритные размеры |
|
Предельные допустимые отклонения согласно ГОСТ Р 8.585-2001 (справочная таблица):
| Класс допуска |
1 |
2 |
||
| Тип | Диапазон измерения | Допустимые отклонения | Диапазон измерения |
Допустимые отклонения |
|
ХА (К) |
−40...+375°С |
±1,5°С |
−40...+333°С |
±2,5°С |
|
+375...+1000°С |
±0,004Т |
+333...+1300°С |
±0,0075Т |
|
|
ХК (L) |
– | – |
−40...+360°С |
±2,5°С |
| – | – |
+360...+800°С |
±(0,7°С+0,005T) |
|
|
ЖК (J) |
−40...+375°С |
±1,5°С |
−40...+333°С |
±2,5°С |
|
+375...+750°С |
±0,004Т |
+333...+900°С |
±0,0075Т |
|
|
НН (N) |
−40...+375°С |
±1,5°С |
−40...+333°С |
±2,5°С |
|
+375...+1000°С |
±0,004Т |
+333...+1300°С |
±0,0075Т |
|
|
ХКн (E) |
−40...+375°С |
±1,5°С |
−40...+333°С |
±2,5°С |
|
+375...+800°С |
±0,004Т |
+333...+990°С |
±0,0075Т |
|
|
МКн (Т) |
−40...+125°С |
±0,5°С |
−40...+135°С |
±1,0°С |
|
+125...+350°С |
±0,004Т |
+135...+350°С |
±0,0075Т |
|
|
ПП (S) |
0...+1100°С |
±1,0°С |
0...+600°С |
±1,5°С |
|
+1100...+1600°С |
±(1,0+0,003(Т−1100)) |
+600...+1600°С |
±0,0025Т |
|
Диапазон измеряемых температур зависит от конструктивного исполнения датчика и материала защитной арматуры.
Т — абсолютное значение температуры измеряемой среды, °С.
Версия: 2022-02-07-ЛВС












