Номенклатура каталога постоянно дополняется, и не всегда объективно отражает фактическую.
Наличие и стоимость уточняйте у инженеров!
Датчик-реле потока лепестковый ДР-ПП-05
Товар дня
Успей купить
Цена:
От 4 680 руб.
4 680 руб.
экономия
0 руб.
Выбрать конфигурацию
Доставка
- Идёт загрузка...
Описание
Датчик-реле потока (реле протока) лепестковый ДР-ПП-05 предназначен для контроля наличия потока воды в трубопроводе, управления исполнительными устройствами, защиты оборудования от слабого или отсутствующего потока
Особенности:

Для защиты прибора от попадания инородных частиц рекомендуется установить фильтр механической очистки перед датчиком-реле. Для герметизации резьбовых металлических соединений рекомендуется использовать анаэробные герметики.
Особенности:
- НО-контакт. При наличии потока контакт геркона замыкается
- Высокий ресурс срабатываний

Для защиты прибора от попадания инородных частиц рекомендуется установить фильтр механической очистки перед датчиком-реле. Для герметизации резьбовых металлических соединений рекомендуется использовать анаэробные герметики.
Характеристики
Бренд:
ARCOM
Характеристики:
Версия: 2025-08-05-СДГ
|
Параметр |
Значение |
|||||
|
ДР-ПП-05-15 |
ДР-ПП-05-20 | ДР-ПП-05-25 | ДР-ПП-05-32 | ДР-ПП-05-40 | ДР-ПП-05-50 | |
|
Рабочая среда |
Вода, этиленгликоль и другие неагрессивные жидкости |
|||||
|
Максимальное давление рабочей среды |
1,5 МПа |
|||||
|
Температура рабочей среды |
−40...+120°С |
|||||
|
Минимальный расход |
3 л/мин |
3,5 л/мин | 3,5 л/мин | 4 л/мин | 4 л/мин | 5 л/мин |
|
Максимальный расход |
15 л/мин |
20 л/мин | 50 л/мин | 80 л/мин | 120 л/мин | 200 л/мин |
|
Коммутируемая мощность |
70 Вт |
|||||
|
Максимальный коммутируемый ток |
=0,3 А (при =24 В) |
|||||
|
Максимальное коммутируемое напряжение |
=220 В, ~250 В |
|||||
|
Длина провода |
455 мм |
|||||
|
Степень пылевлагозащиты |
IP67 | |||||
|
Материал |
Латунь |
|||||
|
Присоединение |
внутр. G½" |
внутр. G¾" |
внутр. G1" |
внутр. G1¼" |
внутр. G1½" |
внутр. G2" |
|
Монтажное положение |
Горизонтальное |
|||||
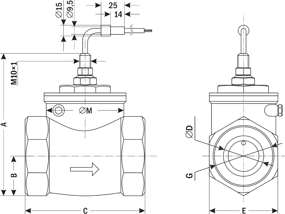
| Габаритные размеры |
78×49×27 мм |
83×56×32 мм |
92×68×40 мм | 98×71×47 мм | 105×80×54 мм | 120×96×67 мм |
| Вес | 223 г | 280 г | 437 г | 530 г | 706 г | 1133 г |
| Габаритные размеры |
|
|
Размер, мм |
Значение |
|||||
|
-15 |
-20 | -25 | -32 | -40 | -50 | |
|
A |
78 |
83 | 92 | 98 | 105 | 120 |
|
B |
15 |
18 | 20 | 26,7 | 30,5 | 38 |
|
C |
49 |
56 | 68 |
71 |
80 |
96 |
| ∅D |
12 |
18 |
24 | 28 | 32 | 40 |
| E | 27 | 32 | 40 | 47 | 54 | 67 |
| ∅M | 29 | 34 | 43 | 46 | 50,5 | 65 |
| G |
½" |
¾" | 1" | 1¼" | 1½" | 2" |
Версия: 2025-08-05-СДГ
Датчик-реле потока лепестковый ДР-ПП-05, внутр.G1/2"
Артикул:
N41795
Цена:
4 680 руб.
Датчик-реле потока лепестковый ДР-ПП-05, внутр.G3/4"
Артикул:
N41796
Цена:
5 265 руб.
Датчик-реле потока лепестковый ДР-ПП-05, внутр.G1"
Артикул:
N41797
Цена:
7 625 руб.
Датчик-реле потока лепестковый ДР-ПП-05, внутр.G1 1/4"
Артикул:
N41798
Цена:
13 650 руб.
Датчик-реле потока лепестковый ДР-ПП-05, внутр.G1 1/2"
Артикул:
N41799
Цена:
21 450 руб.
Датчик-реле потока лепестковый ДР-ПП-05, внутр.G2"
Артикул:
N41800
Цена:
23 400 руб.












