Номенклатура каталога постоянно дополняется, и не всегда объективно отражает фактическую.
Наличие и стоимость уточняйте у инженеров!
Реле перепада давления ДР-ДД-Т
Товар дня
Успей купить
Цена:
От 1 700 руб.
1 700 руб.
экономия
0 руб.
Выбрать конфигурацию
Доставка
- Идёт загрузка...
Описание
Реле ДР-ДД-Т предназначено для сигнализации о достижении перепадом давления воздуха заданного значения.Представляет собой механическое реле перепада давления (прессостат) с поворотным указателем для ручной настройки порога срабатывания. Прибор выполнен в пластиковом корпусе со штуцерами диаметром 6 мм. В комплект входит гибкая трубка длиной 1,2 м, пластиковые соединители для воздуховодов и установочные винты.
Реле предназначено для работы в вентиляционных системах: контроля засорения фильтра, контроля работы вентилятора, контроля направления потока в коробе.
Особенности:
Реле предназначено для работы в вентиляционных системах: контроля засорения фильтра, контроля работы вентилятора, контроля направления потока в коробе.
Особенности:
- Может применяться для сигнализации об аварийно низком или высоком перепаде давления в системе
- Может применяться для контроля засоренности воздушных фильтров
- Может применяться для контроля работоспособности вентиляторов
- Настройка перепада давления
- Высокий ресурс реле: 106 срабатываний
- Гибкая трубка длиной 1,2 м и пластиковые соединители для воздуховодов в комплекте
Характеристики
Бренд:
ARCOM
Характеристики:
Версия: 2023-08-05-КВА
| Параметр | Значение |
|
Рабочая среда |
Воздух |
| Диапазон регулируемого давления | 0,02…4 кПа |
| Максимальное давление | 10 кПа |
| Дифференциал | 0,01...0,25 |
| Температура рабочей среды | −20...+85°C |
| Реле | ~1 А, 250 В |
| Погрешность срабатывания реле | ±15%, но не менее ±10 Па |
| Кабельное присоединение | PG-11 |
| Присоединение воздуховодов | 2 трубки ∅ 6 мм |
| Расположение оси крепежного отверстия прибора | Вертикально, штуцерами вниз |
| Степень пылевлагозащиты | IP54 |
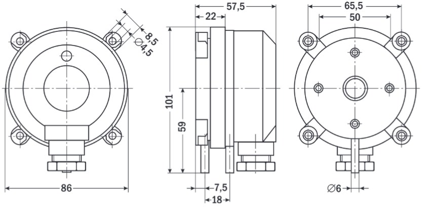
| Габаритные размеры | 101×86×57,5 мм |
| Вес | 150 г |
Модификации:
| Модель |
Диапазон, кПа |
Дифференциал, кПа |
Pmax, кПа |
| ДР-ДД-Т-80 |
0,02...0,2 |
0,01 |
10 |
| ДР-ДД-Т-82 |
0,03...0,3 |
0,01 |
|
| ДР-ДД-Т-83 |
0,05...0,5 |
0,02 |
|
| ДР-ДД-Т-85 |
0,2...1,0 |
0,1 |
|
| ДР-ДД-Т-86 |
0,5...2,5 |
0,15 |
|
| ДР-ДД-Т-87 |
1,0...4,0 |
0,25 |
|
Габаритные размеры |
|
Версия: 2023-08-05-КВА
Реле перепада давления ДР-ДД-Т, ДР-ДД-Т-87
Артикул:
O96689
Цена:
1 700 руб.
Реле перепада давления ДР-ДД-Т, ДР-ДД-Т-86
Артикул:
O96688
Цена:
1 700 руб.
Реле перепада давления ДР-ДД-Т, ДР-ДД-Т-85
Артикул:
O96687
Цена:
1 700 руб.
Реле перепада давления ДР-ДД-Т, ДР-ДД-Т-83
Артикул:
O96686
Цена:
1 700 руб.
Реле перепада давления ДР-ДД-Т, ДР-ДД-Т-82
Артикул:
O96685
Цена:
1 700 руб.
Реле перепада давления ДР-ДД-Т
Артикул:
O96684
Цена:
1 700 руб.












