Номенклатура каталога постоянно дополняется, и не всегда объективно отражает фактическую.
Наличие и стоимость уточняйте у инженеров!
H3BA Аналоговые реле времени
Выбрать конфигурацию
- Идёт загрузка...
Программируемое реле времени H3BA представляет собой устройство, которое используется для коммутирования электрических цепей переменного и постоянного тока с временной выдержкой, которая задается пользователем.
Этот многодиапазонный таймер характеризуется возможностью аналогового задания времени.
H3BA можно с легкостью установить на специальную Din-рейку при помощи клеммной колодки.
К преимуществам устройства относится универсальное питание DC/AC 24-240V.
Классификация
|
Модель |
H3BA |
H3BA-8, H3BA-8H |
|
|
Диапазоны |
0.05с-100часов (с, м, ч) |
||
|
Максимальная погрешность |
1% от полной шкалы |
||
|
Точность задания |
5% от полной шкалы |
||
|
Время сброса |
0.5 с макс |
||
|
Кол-во переключений |
>5х10³ |
||
|
Напряжение питания |
24-240V AC/DC |
||
|
Потребляемая мощность |
2Вт |
||
|
Крепление и колодки |
На Din-рейку |
PF113A |
PF083A |
|
На панель |
US-11 |
Y-40 и US-08 или |
|
|
Размеры (высота-ширина-глубина) |
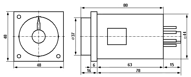
48 x 48 x 93,5мм |
||
|
Рабочая температура и влажность воздуха |
-10...+50°С 48-85% |
||
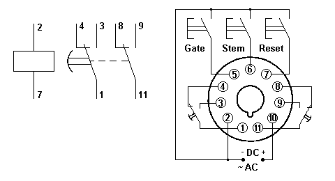
Коммутационная схема и временная диаграмма
H3BA-8
Контакты 4-1-3 и 5-8-6 переключаются после выдержки.
H3BA-8H
Контакт 4-1-3 переключается сразу при подаче питания, контакт 5-8-6 переключается после выдержки.
H3BA
Габаритные размеры:















