Номенклатура каталога постоянно дополняется, и не всегда объективно отражает фактическую.
Наличие и стоимость уточняйте у инженеров!
SR Программируемые реле
Выбрать конфигурацию
- Идёт загрузка...
Обладают расширенными возможностями управления и контроля. Имеют возможность расширения до 82-х точек ввода/вывода (50 входов/32 выхода).
С помощью программируемых логических контроллеров серии SR можно решить широкий ряд задач по автоматизации, как в промышленности, так и в быту. Благодаря разнообразному набору функций, возможностям расширения точек ввода/вывода, соединения нескольких модулей становится возможным создание гибкой, и, кроме этого, экономичной системы управления, учитывающей индивидуальные требования поставленной задачи.
|
Модель |
Напряжение питания |
Входы |
Выходы |
|
Базовые модули |
|||
|
SR-12MRAC |
100…240V AC |
8 дискретных вх. AC |
4 релейных |
|
SR-12MRDC |
12…24V DC |
8 дискр. (6 аналоговых) вх. DC |
4 релейных |
|
SR-12MTDC |
12…24V DC |
8 дискр. (6 аналоговых) вх. DC |
4 транзисторных NPN |
|
SR-12MGDC |
12…24V DC |
8 дискр. (6 аналоговых) вх. DC |
4 транзисторных PNP |
|
SR-22MRAC |
100…240V AC |
14 дискр. вх. AC |
8 релейных |
|
SR-22MRDC |
12…24V DC |
14 дискр. (8 аналоговых) вх. DC |
8 релейных |
|
SR-22MTDC |
12…24V DC |
14 дискр. (8 аналоговых) вх. DC |
8 транзисторных NPN |
|
SR-22MGDC |
12…24V DC |
14 дискр. (8 аналоговых) вх. DC |
8 транзисторных PNP |
|
Модули расширения входов/выходов |
|||
|
SR-20ERA |
100…240V AC |
12 дискретных вх. AC |
8 релейных |
|
SR-20ERD |
12…24V DC |
12 дискретных вх. DC |
8 релейных |
|
SR-20ETD |
12…24V DC |
12 дискретных вх. DC |
8 транзисторных NPN |
|
SR-20EGD |
12…24V DC |
12 дискретных вх. DC |
8 транзисторных PNP |
|
Модули расширения функциональных возможностей |
|||
|
SR-VPA |
100…240V AC |
Модуль записи и воспроизведения голосовых команд |
|
|
SR-VPD |
12…24V DC |
||
|
SR-RCA |
100…240V AC |
Модуль беспроводного управления контроллером |
|
|
SR-RCD |
12…24V DC |
||
Аксессуары для программируемых реле серии SR
|
SR-HMI-B |
Панель оператора c подсветкой для контроллера серии SR |
|
SR-CP |
Кабель для соединения контроллера серии SR с ПК (RS-232) |
|
SR-DUSB |
Кабель для соединения контроллера серии SR с ПК (USB) |
|
SR-WRT |
Панель программирования для контроллера серии SR |
Технические характеристики:
|
Напряжение питания |
AC: 100…240V ±10% 47-63Hz |
|
Потребляемая мощность |
AC: < 3 Вт зависит от модели |
|
Язык программирования |
функционально-блочные диаграммы (FBD) |
|
Объем памяти |
64 кБ |
|
Размер программы |
127 функциональных блоков |
|
Напряжение логического «0» |
AC: 0…40V, DC: 0…5V |
|
Напряжение логической «1» |
AC: 85…240V, DC: 10…24V |
|
Аналоговый вход |
DC: 0…10V (разрешение 0.1V) |
|
Нагрузочная способность выходов |
реле: ≤10А (активная нагрузка), ≤2А (индуктивная) транзистор: ≤2А, ≤80V DC |
|
Уход часов |
< 5 c/сутки |
|
Степень защиты |
IP20 |
|
Рабочая температура окружающей среды |
0…+55 ºС, влажность 5…95% |
|
Температура хранения |
-40…+70 ºС |
|
Способ монтажа |
на DIN-рейку или монтажную поверхность |
|
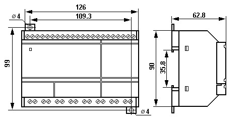
Габаритные размеры, мм |
SR-12: 90x71x64 SR-22, SR-20: 90x126x64 |
Габаритные размеры:
Базовый модуль SR-12
Базовый модуль SR-22
Модуль расширения SR-20














